Structure and Support

Structure and Support

SUPPORT OF COLUMN

Glass plants and pipeline should be supported correctly. To prevent inducing undesirable stresses in the glass, support should be rigid. When supported, glass should be in compression.

Generally, glass plant and equipment are supported in a rectangular tubular structure. This structure is formed of galvenised mild steel tubing with the cast iron fittings which are described in this catalogue. This type of structure provides enough flexibility for future modifications and is strong enough to support a glass unit.

Following rules should be followed while supporting a glass unit in a tubular structure:

1. The structure must be rigid. To give lateral support it must be braced back to the nearest wall or any rigid feature.

2. All glass columns are build up from a fixed point on which whole weight of the column should be taken. If total loads exceeds the permissible limits, counter balance supports should be used to relieve excessive weight.

3. With change in temperature, glass column and tubular structure expands at different rate. Therefore glass unit must be free for vertical movement above the fixed point. Hence, above the fixed point, guides supports should be used to give lateral support.

STRUCTURE TUBES, GALVANISED

For forming the structure,”B” class galvanised tubes, Mild Steel with Epoxy Coated, Stainless Steel 304 & 316 are used in size of 1/2″, 1″, 1.1/4″, 1.1/2″ and 2″. Cut tubes are available in required length to form a standard size structure. Cut tubes are provided with rubber plug at both the ends.

Tube Size

NB Inches

NB mm

External Diameter

1/2″

15

19.5

1″

25

32.5

1.1/4″

30

41.5

1.1/2″

40

48.3

2″

50

60.3

Available cut lengths

Structure

NB (mm)

Dimension

15*

25*

30*

40*

50*

For Vertical installation

2500

2500

3000

3000

3000

3500

3500

3500

4000

4000

000

6000

6000

6000

6000

For Frames

400

365

355

345

335

500

465

455

445

435

600

565

555

545

535

800

765

755

745

735

1000

965

955

945

935

1200

1165

1155

1145

1135

1500

1465

1455

1445

1435

For Frames

400

435

445

445

455

465

500

535

545

545

555

565

600

635

645

645

655

665

800

835

845

845

855

865

1000

1035

1045

1045

1055

1065

1200

1235

1245

1245

1255

1265

1500

1535

1545

1545

1555

1565

STRUCTURE FITTINGS

Following structure fittings are available to use with galvanised tubes in order to form a tubular structure for a glass plant. These fittings are made of cast iron. Also available in Stainless Steel 304 & 316 and are suitable to the galvanised tubes described earlier.

These slidable fittings are provided with grub screws to fix it at required position on a galvanised tube.

These fittings are specially made to construct a tubular structure which provides enough flexibility for future modifications without involving any hammering and welding.

STRUCTURE FITTINGS - GENERAL DATA

NB

TUBE DIA

ID

OD

d

25

32.5

35

45

1/2″

30

42.5

45

55

1/2″

40

48.3

51

61

1/2″

50

60.3

63

73

1/2″

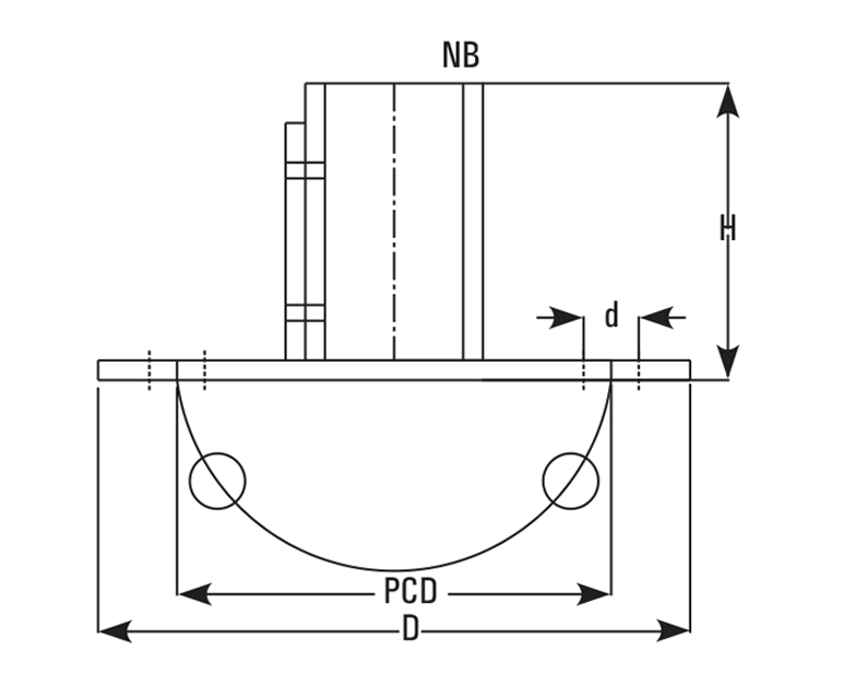
STRUCTURE FITTINGS - BASE
These are to be used with vertical tubes. Holes are provided for foundation.

Cat.Ref.

NB

D

H

PCD

dØ

BS25*

25

150

75

110

4 x 14Ø

BS30*

30

150

75

110

4 x 14Ø

BS40

40

150

75

110

4 x 14Ø

BS50

50

175

75

125

4 x 14Ø

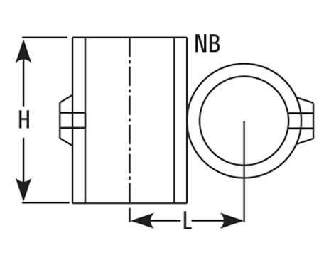
STRUCTURE FITTINGS - COUPLER
These are generally used to couple the vertical tubes where more length is require.

Cat.Ref.

NB

H

H1

CL25

25

150

200

CL30

30

150

200

CL40

40

150

200

CL50

50

150

200

STRUCTURE FITTINGS - BEND
These are used to build frames on vertical tubes.

Cat.Ref.

NB

H

L

BN25*

25

50

55

BN30*

30

65

70

BN40

40

70

80

BN50

50

85

95

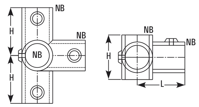
STRUCTURE FITTINGS - TEE

Cat.Ref.

NB

H

L

T25*

25

50

55

T30*

30

65

70

T40

40

70

80

T50

50

85

95

STRUCTURE FITTINGS -DOUBLE BEND

Cat.Ref.

NB

H

L

BN25

25

50

55

BN30

30

65

70

BN40

40

70

80

BN50

50

85

95

STRUCTURE FITTINGS - DOUBLE TEE

Cat.Ref.

NB

H

L

DT25

25

50

55

DT30

30

65

70

DT40

40

70

80

DT50

50

85

95

STRUCTURE FITTINGS - EQUAL BRACKET

Cat.Ref.

NB

h

L

L1

EBT25*

25

40

65

50

EBT30*

30

52

75

60

EBT40

40

62

85

60

EBT50

50

72

95

60

STRUCTURE FITTINGS - UNEQUAL BRACKET

Cat.Ref.

NB

NB1

H

L

L1

UBT25/15*

25

15

35

65

50

UBT30/15*

30

15

40

75

60

UBT40/25

40

25

50

85

60

UBT50/25

50

25

55

95

60

STRUCTURE FITTINGS - CROSS

Cat.Ref.

NB

H

L

X25

25

50

45

X30

30

65

55

X40

40

65

70

X50

50

65

85

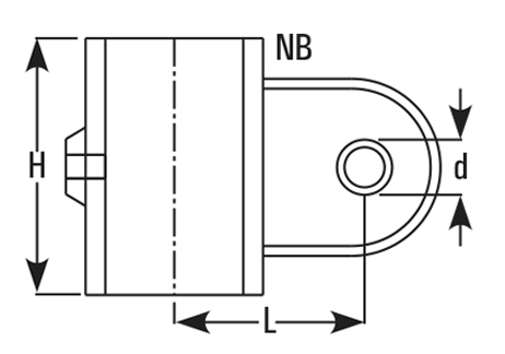
STRUCTURE FITTINGS - SUPPORT

Cat.Ref.

NB

h

L

d

SPT15*

15

40

35

13

SPT25*

25

55

50

13

SPT30*

30

55

57

13

SPT40

40

55

62

13

SPT50

50

55

67

13

STRUCTURE FITTINGS - PLUGS
These are used to plug the open ends of galvanised tubes.

Cat.Ref.

NB

PLUG15*

15

PLUG25*

25

PLUG30*

30

PLUG40

40

PLUG59

50

STRUCTURE FITTINGS - STUDS
These are used as screwed rods with supports.

Cat.Ref.

d

L

STUD5/16-150*

5/16″

150

STUD3/8-150*

3/8″

150

STUD1/2-200

1/2″

200

STRUCTURE DIMENSIONS
For columns

DN

Recommended tube size NB (mm)

Minimum Structure size Depth X Width

80

25

500 x 500

100

25

500 x 500

150

25,30

600 x 600

225

30

800 x 800

300

30

800 x 800

400

30

1000 x 1000

450

30,40

1000 x 1000

600

40,50

1200 x 1200

For vessels (IN HEATING MENTLES)

Size (Liters)

Recommended tube size NB (mm)

Minimum Structure size Depth X Width

20

25

400 x 600

50

25

600 x 800

100

25,30

800 x 800

200

30

800 x 1000

For vessels (IN HEATING BATHS)

Size (Litres)

Recommended tube size NB (mm)

Minimum Structure size Depth X Width

20

25

500 x 600

50

25

600 x 800

100

25,30

800 x 1000

200

30

800 x 1200

For vessels (IN VESSEL HOLDERS)

Size (Litres)

Recommended tube size NB (mm)

Minimum Structure size Depth X Width

20

25

500 x 600

50

25

600 x 800

100

25,30

1000 x 1000

200

30

1000 x 1000

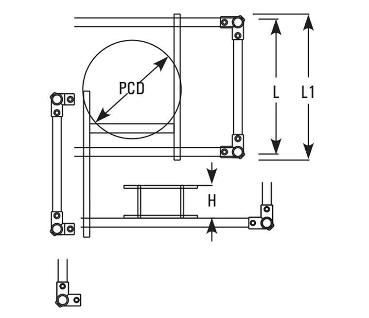
COLUMN BASE SUPPORT FRAMES
These channel frames are used as fixed support in erection of columns. These are supplied with full threaded jacking rods and U bolts.

Cat. Ref.

PCD

L1

L

H

FCSH225

310

1000

800

75

FCSH300

395

1000

800

75

FCSH400

495

1200

1000

75

FCSH450

585

1200

1000

100

FCSH600

710

1400

1200

100

Structure and Support

SUPPORT OF
COLUMN
STRUCTURE TUBES, GALVANISED
STRUCTURE
FITTINGS
STRUCTURE FITTINGS - BASE
STRUCTURE FITTINGS - COUPLER
STRUCTURE FITTINGS - BEND
STRUCTURE FITTINGS -
TEE
STRUCTURE FITTINGS -DOUBLE BEND
STRUCTURE FITTINGS - DOUBLE TEE
STRUCTURE FITTINGS - EQUAL BRACKET
STRUCTURE FITTINGS - UNEQUAL BRACKET
Structure Fittings
Cross
STRUCTURE FITTINGS - SUPPORT
STRUCTURE FITTINGS - PLUGS
STRUCTURE FITTINGS - STUDS
For
columns
For vessels (IN HEATING MENTLES)
For vessels (IN HEATING BATHS)
For vessels (IN VESSEL HOLDERS)
COLUMN BASE SUPPORT FRAMES